
技術參數:
| 規格 |
1T-500T,0.55KW-75KW |
| 材質 |
SUS304,SUS316L(在材料的選用上泵體,泵蓋,葉輪等凡與物料接觸之零件由SUS316L或SUS304不銹鋼制造) |
| 標準 |
DIN,SMS |
| 葉輪 |
敞開式葉輪,不留衛生死角 |
| 工作條件 |
衛生離心泵屬高低液位及水平輸送,非自吸型。(自吸型選用自吸泵) |
| 表面處理 |
接液部分拋光,其余亞光或噴砂處理 |
| 最大進口壓力 |
0.5MPa |
| 溫度范圍 |
-10℃至140℃(EPDM) |
| 可沖洗機械密封 |
水壓:最高0.1MPa 水量:0.25-0.5L/min |
電機: 1、根據配置主要采用“ABB”品牌的高效等級M2BAX三相交流電機,按照國際電工委員會IEC6OO34.IE60072 標準設計制作,符合歐共體CE標記要求 2、可供選用防爆電機,以滿足不同場合的需要。 3、優越的電氣性能、低噪音、低振動,電機的標準設計防護等級為IP55,絕緣等級為F級。 4、頻率:50Hz/60Hz 5、工作方式:連續(SI) 6、轉速:標準泵的轉速為2900r/min

性能選型表

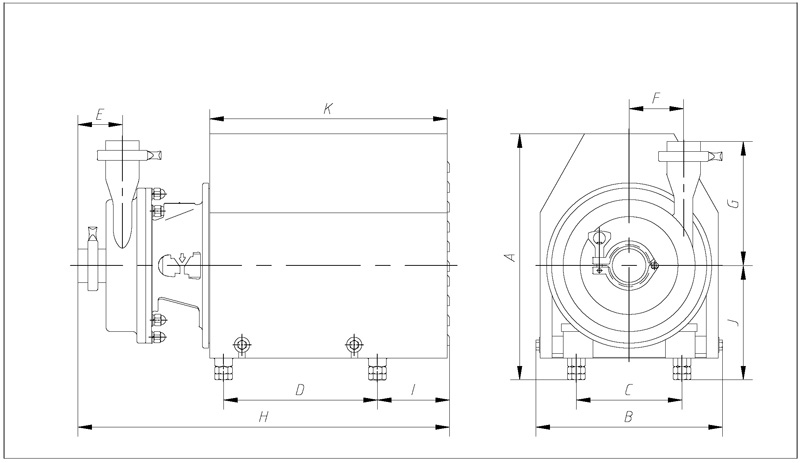
外形尺寸及技術參數:


|